• SD卡:<=2GB
  • SDHC卡(SD High Capacity,大容量SD卡):4GB~32GB
  • SDXC卡(SD eXtended Capacity):64GB~2TB,这是2009年SD协会发布的新标准

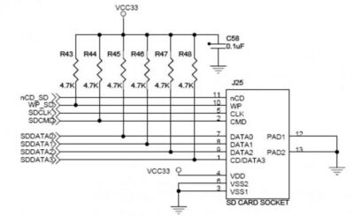
SD卡的接口可以支持SD卡模式和SPI模式两种操作模式。主机系统可以选择其中任一模式,SD卡模式允许4线的高速数据传输;SPI模式允许简单通用的SPI通道接口,但是SPI模式相比于SD模式的劣势是丧失了高速度。

SPI模式

SDIO模式